E-road / E-เมือง

HT MINI มอเตอร์ดุมล้อหลังอิสระ

HT MINI Thread บนมอเตอร์ดุมล้ออิสระได้รับการออกแบบมาสำหรับจักรยานไฟฟ้าในเมืองและจักรยานเสือหมอบ ทำให้เป็นหนึ่งในมอเตอร์ดุมโรเตอร์ภายนอกที่เล็กที่สุดในตลาด สามารถใช้งานร่วมกับระบบแบตเตอรี่ 36V ถึง 48V ซึ่งมีน้ำหนักเพียง 1.95 กก. และมีกำลังไฟพิกัด 220W พร้อมแรงบิดมากกว่า 30Nm มอเตอร์สามารถเข้าถึงสูงถึง 250W ด้วยแรงบิดแผง 40Nm การออกแบบโรเตอร์ภายนอกช่วยลดข้อผิดพลาดสะสม เพิ่มความแข็งแกร่ง เสถียรภาพ และความทนทาน

พารามิเตอร์ที่สำคัญ
โครงสร้างมอเตอร์: แรงดันไฟฟ้า (V): กำลังไฟ (W):
มอเตอร์เอาท์รันเนอร์ฮับ 36-48 180-250
แรงบิดสูงสุด(Nm): น้ำหนัก (กก.): เก่า (มม.):
40 1.95(220w) 135
ข้อมูลรายละเอียด
  • HT MINI มอเตอร์ดุมล้อหลังอิสระ
  • HT MINI มอเตอร์ดุมล้อหลังอิสระ
Ningbo Yinzhou HENTACH Electromechanical Co., Ltd. Product Parameters Ningbo Yinzhou HENTACH Electromechanical Co., Ltd. Drawing Ningbo Yinzhou HENTACH Electromechanical Co., Ltd. Contact Us

ข้อมูลหลัก

กำลังไฟพิกัด 180-250
แรงดันไฟฟ้าที่ได้รับการจัดอันดับ 36-48
เส้นผ่านศูนย์กลางล้อ 20-28
ช่วงความเร็ว 25-38
แรงบิดสูงสุด 40
อัตราทดเกียร์ 5
น้ำหนัก (กก.) 1.95(220วัตต์)

พารามิเตอร์การติดตั้ง

เบรก ดิสก์เบรก
ตลับเซ็นเซอร์แรงบิด ไม่
เส้นทางเดินสาย เพลากลางขวา
พูดหลุม 2-18-Ф3.2
ระดับการกันน้ำ IP54 (สูงสุด IP65)
มู่เล่/ล้อเฟือง โรตารี 7 สปีด
ใบรับรอง TUV/EN15194/RoHS

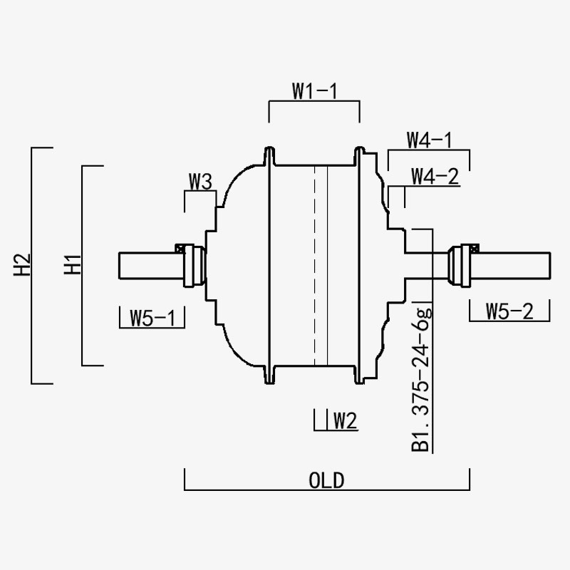
H1/ OD: 95.5
H2/เส้นผ่านศูนย์กลางของมอเตอร์: 112.5
W1(-1/-2): 43
ส2: 6
ส3: 15
ส4(-1/-2): 39/9
ส5(-1/-2): 31/39
เก่า: 135
ความยาวเพลา: 205
Ningbo Yinzhou HENTACH Electromechanical Co., Ltd.
ติดต่อเรา
  • ส่งและส่ง
Ningbo Yinzhou HENTACH Electromechanical Co., Ltd.
สิ่งที่ทำให้เราแตกต่าง
  • มอเตอร์มีเส้นผ่านศูนย์กลางภายนอก 95 มม. พร้อมมู่เล่โรตารี 7 สปีด น้ำหนักเพียง 1.95 กก. มอเตอร์โรเตอร์ด้านนอกน้ำหนักเบาเป็นพิเศษ กำลังพิกัด 250w และแรงบิดแผงลอยสูงถึง 40NM พันธมิตร e-bike

  • เฟืองเหล็กพลาสติกที่ได้รับการจดสิทธิบัตร: แรงบิด 5 เท่าของเฟืองไนลอน อายุการใช้งานมากกว่า 40,000 กิโลเมตร หลังการขายที่ต่ำกว่า

  • มอเตอร์โรเตอร์ด้านนอก: โครงสร้างมีเสถียรภาพมากกว่าโรเตอร์ด้านใน อัตราความล้มเหลวต่ำกว่า

เราเป็นใคร มากกว่า 20 ปี ของประสบการณ์การผลิต

Ningbo Yinzhou HENTACH Electromechanical Co., Ltd. (เดิมชื่อ Hengtai Motor) ก่อตั้งขึ้นในปี 1995 และเดิมชื่อ "Hengtai Motor" (ชื่อภาษาจีนของบริษัทของเรา) เราได้นำชื่อภาษาอังกฤษ "HENTACH Motor" มาใช้อย่างเป็นทางการในปี 2020 ทั้งสองชื่อเป็นตัวแทนของผู้ผลิตที่เชื่อถือได้รายเดียวกันซึ่งอุทิศตนให้กับนวัตกรรมระบบเครื่องกลไฟฟ้ามานานกว่า 30 ปี มีความเชี่ยวชาญในการหล่อและการประมวลผลที่แม่นยำของมอเตอร์กระแสตรงขนาดเล็ก ดุมมอเตอร์ไฟฟ้า/รถจักรยานยนต์ และโลหะผสมอะลูมิเนียม-แมกนีเซียมสำหรับยานพาหนะไฟฟ้า เราผสมผสานระบบควบคุมคุณภาพ ISO 9001 ที่เข้มงวด แนวทางปฏิบัติในการจัดการที่ครบถ้วน และอุปกรณ์การผลิต/การทดสอบที่ล้ำสมัย เพื่อส่งมอบโซลูชันที่เชื่อถือได้

ด้วยขีดความสามารถที่ครอบคลุมตั้งแต่การหล่อวัตถุดิบไปจนถึงการส่งมอบผลิตภัณฑ์ขั้นสุดท้าย เราให้บริการแก่ตลาดที่หลากหลาย รวมถึงจักรยานไฟฟ้า ยานพาหนะขนส่งสินค้า ยานยนต์อัตโนมัติ (AGV) รถกอล์ฟ เครื่องจักรกลการเกษตร และรถโกคาร์ทไฟฟ้า โรงงานของเรามีพื้นที่กว่า 9,000 ตารางเมตร (พื้นที่อาคาร 5,000 ตารางเมตร) ประกอบด้วยอุปกรณ์การผลิตที่ทันสมัยกว่า 60 เครื่อง รวมถึงเครื่องหล่อขึ้นรูปขนาด 500 ตัน เครื่องมือเครื่องจักร CNC ที่มีความแม่นยำสูง ระบบทำเครื่องหมายด้วยเลเซอร์ สายการผลิตการออกซิเดชันด้วยไมโครอาร์ค และแท่นทดสอบมอเตอร์สำหรับยานยนต์ไฟฟ้าโดยเฉพาะสองแท่น โครงสร้างพื้นฐานนี้ช่วยให้มั่นใจได้ถึงการผลิตที่มีประสิทธิภาพและการปฏิบัติตามมาตรฐานคุณภาพระดับสากลอย่างเคร่งครัด

ที่ HENTACH (Hengtai) เราให้ความสำคัญกับวัสดุคุณภาพสูงและเทคโนโลยีที่เป็นกรรมสิทธิ์ เกียร์ไนลอนสตีลที่ได้รับสิทธิบัตรของเราเป็นข้อพิสูจน์ถึงความเป็นเลิศทางวิศวกรรมของเรา เพื่อตรวจสอบความทนทาน ครั้งหนึ่งเราได้เปิดตัวโปรแกรมการรับประกันระยะทางสำหรับมอเตอร์ที่วิ่งเกิน 30,000 ไมล์ ผลลัพธ์? มอเตอร์มากกว่า 50 ตัวไม่เพียงแต่ผ่านเกณฑ์มาตรฐานนี้เท่านั้น แต่ยังเหนือกว่าด้วยบางรุ่นสามารถวิ่งได้ถึง 50,000 ไมล์ที่น่าประทับใจ ประสิทธิภาพในโลกแห่งความเป็นจริงนี้สะท้อนให้เห็นถึงความมุ่งมั่นอย่างแน่วแน่ของเราในเรื่องความน่าเชื่อถือ และกระตุ้นให้เราสร้างสรรค์นวัตกรรมอย่างต่อเนื่องสำหรับโซลูชันมอเตอร์ที่ชาญฉลาดและแข็งแกร่งยิ่งขึ้น​
ไว้วางใจแบรนด์ที่เป็นที่รู้จักทั่วโลกในชื่อทั้ง Hengtai Motor และ HENTACH Motor ซึ่งนวัตกรรมเฟืองเหล็กที่ได้รับการจดสิทธิบัตรมาพบกับความทนทานที่ได้รับการพิสูจน์แล้ว

รับรองโดย การรับรอง